Ebon Tongtai - Exploring Beauty, Offering Novelty
 |
20+years Deeply committed to high-performance thermal-break windows and doors.
|
 |
100,000㎡ Four modern intelligent manufacturing bases.
|
 |
200+ High-performance thermal-break window and door technology patents.
|
 |
≥97% 3i-Low-E glass-advanced thermal insulation with over 97% UV blocking & 95% IR blocking, 10℃ cooler than ordinary glass.
|
Sales Colors
| Item |
Color Options |
| Indoor Color |
Mocha, Starry Sky Gray |
| Outdoor Color |
Mocha, Starry Sky Gray |
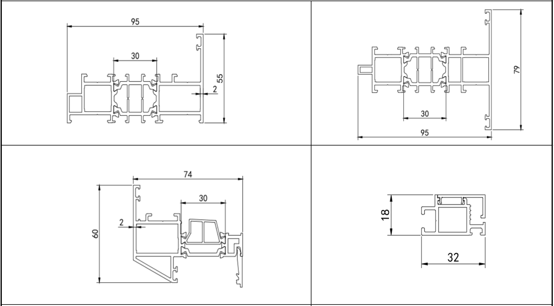
Profile Information
| Item Name |
Dimension Data |
| Main Material Thickness |
2.0 mm |
| Sash Width - Sash Thickness (Glass Sash) |
Sash width 60 mm, sash thickness 84 mm, glass notch 40 mm |
| Sash Width - Sash Thickness (Screen Sash) |
Sash width 31.7 mm, sash thickness 18.2 mm |
| Frame Width - Frame Height |
Frame wall occupancy 95 mm, narrow frame width 30 mm, wide frame width 54.5 mm |
Profile Display Drawing
Configuration of Glass, Rubber Seals and Screen Mesh


| Configuration |
Glass for Fixed Sash / Operable Sash |
| Standard |
Standard 5+20A+5 insulated glass, applicable for standard area (0-3 ㎡). Configure rubber seals referring to the 30 mm total thickness glass scheme shown above |
| Optional |
Optional 6+18A+6 insulated glass, applicable for standard area (0-3 ㎡). Configure rubber seals referring to the 30 mm total thickness glass scheme shown above |
| Optional |
Optional 8+15A+8 insulated glass, applicable for standard area (3 ㎡-3.5 ㎡). Configure rubber seals referring to the 30 mm total thickness glass scheme shown above (optional for fixed glass) |
| Optional |
Optional 8+24A+8 insulated glass, applicable for standard area (3.5 ㎡-4.5 ㎡). Configure rubber seals referring to the 40 mm total thickness glass scheme shown above (optional for fixed glass) |
| Optional |
Optional 10+20A+10 insulated glass, applicable for standard area (4.5 ㎡-6.5 ㎡). Configure rubber seals referring to the 40 mm total thickness glass scheme shown above (optional for fixed glass) |
| Optional |
Optional 12+16A+12 insulated glass, applicable for standard area (6.5 ㎡-12 ㎡). Configure rubber seals referring to the 40 mm total thickness glass scheme shown above (optional for fixed glass) |
| Optional |
6+18A+6 and 8+15A+8 insulated glass (Options 2 and 3) are optional for sash glass; Options 4/5/6 are optional for fixed glass and require replacement of pressure lines |
 |
 |
Screen Mesh
Standard Configuration:High-definition screen mesh as standard; diamond screen mesh as an option. High-transparency screen mesh is not available.
Main Hardware Configuration
Basic Technical Requirements and Parameters
| Item |
Specification |
| Opening Style Standard |
Double inward opening
- Glass sash: standard inward opening & tilting window; optional inward casement window |
| Hardware Standard |
1. Inward opening & tilting: Hidden inward opening & tilting internal hardware by HOPO, 180° opening angle
2. Inward casement (non-tilting): 180° inward casement internal hardware by HOPO, including full set of HOPO inward opening hinges, transmission boxes, lock points & strike plates, load-bearing blocks |
| Handle Standard |
HOPO handle
- Standard colors: black, silver |
| Sealing Strip |
Integral vulcanized welded duckbill rubber strip |
| Assembly Process |
- Frame: expanded corner brace with glue injection process
- Glass sash: corner crimping with glue injection process |
| Corner Treatment |
Glue injection with plastic end caps for assembled corners |
| Protective Accessory |
Stainless steel quick-install corner guard |
| Sash Size Limit |
Width: 500-800mm
Height: 600-2000mm |
Corner & Mullion Configuration
Order Taking Notes & Technical Parameters
-
Please pay attention to the size requirements and specifications for casement window opening sashes, and focus on guiding customers to design in accordance with standard sash dimensions.
-
For the design of fixed window sizes, it is also necessary to consider the strength requirements of the glass as well as the feasibility of processing, handling and installation. Generally, the surface area of 5mm insulated glass should not exceed 1500×1600mm, with the area not exceeding 2.5 square meters. (For oversize glass, please refer to the configuration requirements for oversize insulated glass.)
-
Before window and door design, it is necessary to know the thickness of the installation wall to select the corresponding series and wrapping sleeves.
-
When designing the handle height of regular casement windows, consideration should be given to installing it at a distance of about 1500mm from the ground (ranging from 1300mm to 1600mm).
-
Standard windows with both width and height exceeding 2.5m must be divided into separate frames and equipped with splicing strips. For special cases, special remarks should be made after communication with the customer service department.
-
The data and information shall be subject to the updated information of the company.
-